Custom Mechanical Engineering: High-Shock Power Train Coupling
SCOPE OF WORK
GALLERY
The Challenge: A biogas-to-energy plant on a commercial piggery was experiencing repeated mechanical failures. The engine and generator were poorly aligned on a rigid mounting, and the “grid-switching” process created massive torque shocks that shattered off-the-shelf coupling components.
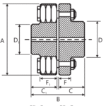
Solution: Designed a bespoke mechanical coupler specifically engineered to bridge the significant shaft offset and absorb high-impact shock loads. This involved:
- Custom Geometry: Designing an interface that compensated for the non-adjustable equipment alignment.
- Shock Attenuation: Selecting materials and tolerances capable of withstanding the “grid-flicker” surges that had previously caused catastrophic failures.
Result: The custom-engineered solution eliminated the mechanical downtime, allowing the farm to maintain a stable connection to the grid and successfully convert waste methane into renewable power.
RELATED PROJECTS
SUMMARY
Region: Australia
Location: Queensland
Project Type: Engineering
